Horní kladka EQ-LH0016
Detailní popis
Vlastnosti produktu:
- Vysoká kvalita a odolnost
- Zboží bylo vyrobeno ze speciálních materiálů používaných pro vysoce zatěžované mechanické převodovky
- Atraktivní cena
- Dobrá dostupnost
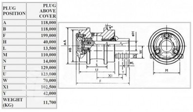
Horní rolna
Horní kladky jsou nedílnou součástí většiny minibagrů, bagrů i smykových nakladačů. Jejich hlavní funkcí je podpora a vynášení pásu. Pokud je rolna značně opotřebená, přestane se točit, čímž zapříčiní špatné vedení a šoupání pásu. Následně se tato zátěž přenáší na spodní rolny, vodící kolo, hnací kolo a hydromotor.
Včasnou volbou kvalitní a především vhodné horní rolny pro Váš stroj nedochází k nadměrnému zatížení ostatních podvozkových dílů a vy tedy snížíte pravděpodobnost poškození těchto komponentů.
Zároveň v našem sortimentu naleznete i spodní kladky pro stroje Bobcat, Case, Catterpillar, Komatu, Kubota, Kobelco, Hitachi, IHI, JCB, New Holland, Peljob, Takeuchi, Terex a jiné.
Pro více informací, která horní rolna je vhodná právě pro váš stroj, využijte náš kontaktní formulář.
Hodnocení produktu (0)
Produkt zatím nikdo nehodnotil, buďte první!
Gumové pásy RubberHill
Gumové pásy Bridgestone
Antivibrační pásy Tycoon
Ocelové řetězy, desky a opravné články
Gumové plotny
Spodní rolny
Horní rolny
Hnací kola
Vodící kola
Reduktory
Napínáky
Lžíce, upínače a adaptéry
Digga a Hardy zemní vrtáky a rýhovače
Hydraulické přidržovače pro minibagry
Hydraulická demoliční kladiva
Sekundární hydraulické pulverizéry - vydrcovače
Hydraulické vibrační desky Hardy
Hydraulické nůžky Hardy na stromy a porosty
Rovnací zařízení Hardy
Rozrýváky / Rippery
Řezač asfaltu Hardy
Gyru-Star třídící lžíce
Hydraulické kuželové štípače
Pila na dřevo
Hydraulické drapáky
Hydraulické mulčovače
Smeták na bagr
Demoliční nůžky Hardy
Hutnící kolečka
Zkrácené nájezdy pro kontejnery
2 metrové hliníkové nájezdy pro stroje
2,5 metrové hliníkové nájezdy pro stroje
3 metrové hliníkové nájezdy pro stroje
3,5 metrové hliníkové nájezdy pro stroje
4 metrové hliníkové nájezdy pro stroje
Nájezdy pro ocelové pásy
Hliníkové a ocelové hobby nájezdy
Hliníkové nájezdy pro invalidní vozík
Zuby a adaptéry
Otěruvzdorné břity
Hliníkové nájezdy pro stavební stroje
Plastové nájezdy
Skla
Filtry
Oleje a maziva
Světla
Navařovací háky na minibagr
Klíče
Mazací lisy, rychlospojky a jiné